Máy bơm trục ngang rời trục Sempa được nhập khẩu trực tiếp chính hãng từ Thổ Nhĩ Kỳ giúp khác hàng ứng dụng trong hệ thống bơm môi trường chất lỏng không ăn mòn và ít tạp chất, môi trường chất lỏng có độ ăn mòn cao, hay môi trường nước có hàm lượng chất rắn nhỏ.
Đặc điểm của máy bơm trục ngang rời trục Sempa TKF 40-125
Máy bơm trục ngang rời trục Sempa TKF 40-125 nhập khẩu nguyên chiếc từ Thổ Nhĩ Kỳ, được sản xuất trên dây chuyền công nghệ hiện đại.
Các bộ phận của máy bơm có thể tháo lắp dễ dàng, vỏ bọc ngoài cứng cáp, cho độ bền và tuổi thọ cao. Chắc chắn sẽ là sự lựa chọn hoàn hảo cho mọi công trình của bạn!
Ứng dụng đa dạng: bơm nước trong các hệ thống xây dựng, bơm nước cho công nghiệp thực phẩm và đồ uống, công nghiệp hóa chất, ngành sắt thép, nhà máy điện, cấp nước và xử lý, cấp nước cho hệ thống chữa cháy, hệ thống thông gió làm mát, công nghiệp dầu khí, thủy lợi nông nghiệp,…
Ngoài ra máy bơm còn được sử dụng để cấp nước cho các tòa nhà, chung cư, cao ốc, văn phòng, gia đình,…
Ưu điểm máy bơm trục ngang rời trục Sempa TKF 40-125
- Hoạt động tốt trong nhiều môi trường như: môi trường chất lỏng không ăn mòn và ít tạp chất, môi trường chất lỏng có độ ăn mòn cao, hay môi trường nước có hàm lượng chất rắn nhỏ.
- Thuộc dòng máy bơm cấp 1, nhờ sử dụng các khớp nối để kết nối với động cơ, nên máy bơm có khả năng được tách rời khỏi động cơ. Dễ dàng trong việc vệ sinh, bảo trì và sửa chữa.
- Kích thước tổng thể của đầu bơm tuân theo tiêu chuẩn TS EN 733.
- Vòng bi bánh xe có thể thay dễ dàng khi cần thiết.
- Tất cả các cánh quạt được cân bằng theo tiêu chuẩn ISO 1940 loại 6.3.
- Mặt bích hút là phụ kiện để nối các bộ phận của máy bơm, được sản xuất đạt theo tiêu chuẩn TS EN 1092-2 / PN 16.
- Máy có sử dụng một bánh công tác kín, dùng để cân bằng các lỗ giữa các lưỡi để giảm thiểu tải trọng dọc trục, tránh làm cho máy bị rung động mạnh.
- Tùy thuộc vào nhu cầu của mỗi máy bơm, mà sẽ có một con dấu cơ khí nhằm kiểm soát và ngăn chặn tình trạng rò rỉ nước, loại trừ ô nhiễm.
- Máy bơm quay theo hướng chiều kim đồng hồ khi nhìn từ phía động cơ.
Thông tin kỹ thuật máy Sempa TKF 40-125
| Xuất xứ | Thổ Nhĩ Kỳ |
|---|---|
| Bảo hành | Chính hãng |
| Áp lực | 10 – 16 bar |
| Nhiệt độ chất lỏng | -10 °C đến +140 °C |
| Tốc độ dòng chảy | 1750m³/h |
| Tốc độ vòng quay | 3600 vòng/phút |
| Trọng lượng | 34kg |
| Ứng dụng | Cấp & Xử lý nước, Công nghiệp sắt thép, Công nghiệp thực phẩm & Đồ uống, Hệ thống chữa cháy, Nông nghiệp & Thủy lợi |
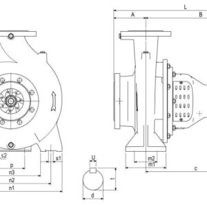
Bản vẽ máy bơm trục ngang rời trục Sempa TKF 40-125


Bên cạnh các dòng máy bơm trục ngang rời trục Sempa TKF 40-125, công ty GPTech chúng tôi còn cung cấp các dòng máy bơm khác với nhiều công suất, trọng lượng và kích thước khác nhau. Mọi thông tin thắc mắc, cập nhật bảng báo giá mới nhất, chiết khấu cho đại lý và khách hàng mua hàng số lượng lớn vui lòng liên hệ trực tiếp số hotline 0906 7373 15 (Zalo).
——————-
CÔNG TY TNHH KỸ THUẬT GP
Hotline: 0906 7373 15 (Zalo)
Email: info@gptech.vn
FanPage: https://www.facebook.com/bommangaro/





Đánh giá Máy bơm trục ngang rời trục Sempa TKF 40-125
Chưa có đánh giá nào.