Bạn đang tìm kiếm Máy bơm trục ngang rời trục Sempa TKF 40-160 chính hãng được nhập khẩu từ nhà máy sản xuất tại Thổ Nhĩ Kỳ hãy liên hệ GPTech nhé!
Thiết kế theo tiêu chuẩn EN733 của máy bơm trục ngang rời trục Sempa TKF 40-160
Máy bơm đầu rời Sempa chuyên dùng để bơm cấp thoát nước tòa nhà, bơm xử lý nước thải, bơm tại các trạm cấp thoát nước trung tâm.
Vì máy bơm truyền động rời trục với motor, nên máy bơm dễ dàng trong việc vệ sinh, bảo trì và sửa chữa.
Máy bơm được sản xuấ theo tiêu chuẩn EN 733, được sản xuất và nhập khẩu trực tiếp từ Europe
Bánh công tác của máy bơm được cân bằng theo tiêu chuẩn ISO:1940
Các bộ phận của máy bơm được sản xuất đạt theo tiêu chuẩn TS EN 1092-2 / PN 16.
Thông tin thuật máy bơm trục ngang rời trục Sempa TKF 40-160
| Xuất xứ | Thổ Nhĩ Kỳ |
|---|---|
| Bảo hành | Chính hãng |
| Áp lực | 10 – 16 bar |
| Nhiệt độ chất lỏng | -10 ° C, đến +140 ° C |
| Tốc độ dòng chảy | up to 1750m³/h |
| Tốc độ vòng quay | 1450 vòng/phút – 2900 vòng/phút |
| Trọng lượng | 41kg |
| Ứng dụng | Cấp & Xử lý nước, Công nghiệp sắt thép, Công nghiệp thực phẩm & Đồ uống, Hệ thống chữa cháy, Nông nghiệp & Thủy lợi |
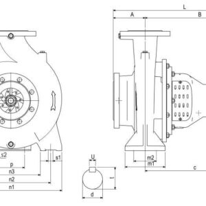
Bản vẽ máy bơm trục ngang rời trục Sempa TKF 40-160
Ứng dụng của máy bơm trục ngang rời trục Sempa TKF 40-160
Máy bơm trục ngang rời trục Sempa TKF 40-160 ứng dụng đa dạng:
- Bơm nước trong các hệ thống xây dựng,
- Bơm nước cho công nghiệp thực phẩm và đồ uống,
- Ứng dụng trong công nghiệp hóa chất, ngành sắt thép, nhà máy điện
- Cấp nước và xử lý, cấp nước cho hệ thống chữa cháy, hệ thống thông gió làm mát,
- Ứng dụng trong ngành công nghiệp dầu khí, thủy lợi nông nghiệp
- Cấp thoát nước cho các tòa nhà, chung cư, cao ốc, văn phòng, gia đình
Bên cạnh các dòng máy bơm trục ngang rời trục Sempa TKF 40-160, công ty GPTech chúng tôi còn cung cấp các dòng máy bơm khác với nhiều công suất, trọng lượng và kích thước khác nhau. Mọi thông tin thắc mắc, cập nhật bảng báo giá mới nhất, chiết khấu cho đại lý và khách hàng mua hàng số lượng lớn vui lòng liên hệ trực tiếp số hotline 0906 7373 15 (Zalo).
——————-
CÔNG TY TNHH KỸ THUẬT GP
Hotline: 0906 7373 15 (Zalo)
Email: info@gptech.vn
FanPage: https://www.facebook.com/bommangaro/







Đánh giá Máy bơm trục ngang rời trục Sempa TKF 40-160
Chưa có đánh giá nào.